SSMELE 704-2054

https://ssmadretierra.com/web/image/product.template/87/image_1920?unique=11d24b0

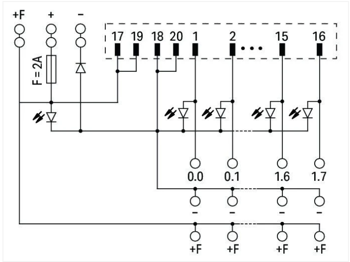
Módulo de transmisión para cableado de sistema; Conectores según DIN 41651; Conector macho; 20 polos; Entrada o salida digital, 16 canales; Conexión de 3 conductores; con zócalo de montaje.

6,121.88 6121.88 MXN 6,121.88

6,121.88

    Esta combinación no existe.

    Datos Eléctricos

    Entradas/salidasEntrada o salida digital de 16 canales
    Tipo de circuitoConexión de 3 conductores
    Conexión de 3 conductores
    Tensión nominal de funcionamientoDC 24 V
    Rango de tensión de funcionamiento±10 %
    Consumo energético (indicación de estado)5mA
    Corriente total2A
    Corriente límite de servicio continuo1 A
    Indicador de estadoLED verde (canal)
    LED amarillo (fuente de alimentación)
    LED verde (canal)
    LED amarillo (fuente de alimentación)
    Fusible interno2 A

    Datos de Conexión

    Tipo de conexión (1)Sistema
    Número de polos 120
    Conectores enchufablesConector macho DIN 41651
    Ángulo de conexiónVertical
    Tipo de conexión 2Campo
    Número de polos 248
    Diseño 2Bornas para placa de circuito impreso (tres pisos)
    Conector WAGO 2Serie 737 de WAGO
    Conductor rígido 20,08 … 2,5 mm² / 28 … 12 AWG
    Conductor flexible 20,08 … 2,5 mm² / 28 … 12 AWG