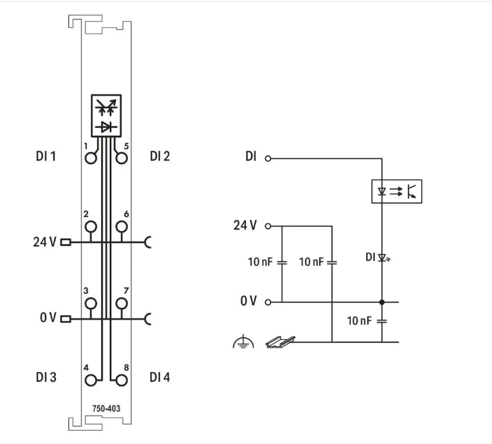
750-403

https://ssmadretierra.com/web/image/product.template/94/image_1920?unique=b109a43

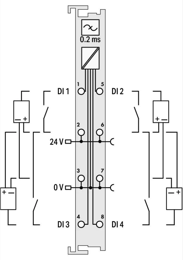
Entrada digital, 4 canales; 24 V DC; 0,2 ms
Este módulo de entrada digital recibe señales de control de los dispositivos de campo (p. ej., sensores).

Cada módulo de entrada cuenta con un filtro de eliminación de ruido.

Los niveles de campo y sistema están separados galvánicamente.
Marca: WAGO

1,410.56 1410.56 MXN 1,410.56

1,410.56

    Esta combinación no existe.

    Datos Técnicos

    Número de entradas digitales4
    Número total de canales (módulo)4
    Tipo de señalTensión
    Tipo de señal de tensión24 VCC
    Tensión de alimentación (sensor)24 VCC
    Conexión de sensor2 x (2 conductores, 3 conductores); También debe utilizarse un módulo de distribución de potencial adecuado (p. ej., 750-614) para conectar otros sensores.
    Característica de entradaConmutación positiva (PNP)
    Filtro de entrada (digital)0.2ms
    0.2ms
    Corriente de entrada por canal para señal (1) (típ.)4.5mA
    Rango de tensión para señal (0)−3 … +5 VCC
    Rango de tensión para señal (1)15 … 30 VCC
    Anchura de datos de entrada (interna) (máx.)4bits
    Tensión de alimentación (sistema)5 VCC; a través de contactos de datos
    Consumo de energía (alimentación de sistema de 5 V)7.5mA
    Tensión de alimentación (campo)24 VCC (-25 … +30 %); a través de contactos de potencia (fuente de alimentación a través de contacto de cuchilla; transmisión a través de contacto elástico)
    Aislamiento500 kV para sistema/campo
    IndicadoresLED (A-D) verde: estado DI 1 … DI 4
    Número de contactos de potencia entrantes2
    Número de contactos de potencia salientes2
    Intensidad de corriente admisible (contactos de cuchilla)10A

    Datos de Conexión

    Tecnología de conexión: entradas/salidas8 x CAGE CLAMP®
    Tipo de conexión (1)Entradas/salidas
    Conductor rígido0,08 … 2,5 mm² / 28 … 14 AWG
    Conductor flexible0,08 … 2,5 mm² / 28 … 14 AWG
    Longitud de pelado8 … 9 mm / 0.31 … 0.35 pulgadas